Магазин запчастей для бытовой техники - Arlos
Москва
close
Выберите ваш регион
АбаканАлександровАльметьевскАнгарскАрзамасАрмавирАртемАрхангельскАстраханьАчинскБалаковоБалашихаБеларусьБелгородБердскБерезникиБийскБлаговещенскБратскБрянскВеликий НовгородВидноеВладивостокВладикавказВладимирВолгоградВолгодонскВолжскийВологдаВолховВоркутаВоронежВоскресенскВыборгГатчинаГеленджикГрозныйДедовскДербентДзержинскДзержинскийДимитровградДмитровДолгопрудныйДомодедовоДонецкЕвпаторияЕгорьевскЕкатеринбургЕлецЕссентукиЖелезногорскЖелезнодорожныйЖуковскийЗеленоградЗлатоустИвановоИвантеевкаИжевскИркутскИстраЙошкар-ОлаКазаньКалининградКалугаКаменск-УральскийКамышинКаспийскКемеровоКерчьКировКисловодскКлинКовровКоломнаКомсомольск-на-АмуреКопейскКоролёвКостромаКотельникиКрасногорскКраснодарКраснознаменскКрасноярскКурганКурскКызылЛенинск-КузнецкийЛипецкЛобняЛыткариноЛюберцыМагнитогорскМайкопМалаховкаМахачкалаМиассМоскваМурманскМуромМытищиНабережные ЧелныНазраньНальчикНаро-ФоминскНахабиноНаходкаНевинномысскНефтекамскНефтеюганскНижневартовскНижнекамскНижний НовгородНижний ТагилНовокузнецкНовокуйбышевскНовомосковскНовороссийскНовосибирскНовоуральскНовочебоксарскНовочеркасскНовошахтинскНовый УренгойНогинскНорильскНоябрьскОбнинскОдинцовоОктябрьскийОмскОрелОренбургОрехово-ЗуевоОрскПавловский ПосадПензаПервоуральскПермьПетрозаводскПетропавловск-КамчатскийПодольскПрокопьевскПсковПушкиноПятигорскРаменскоеРеутовРостов-на-ДонуРубцовскРыбинскРязаньСакиСалаватСамараСанкт-ПетербургСаранскСаратовСевастопольСеверодвинскСеверскСергиев ПосадСерпуховСимферопольСмоленскСосновый БорСочиСтавропольСтарый ОсколСтерлитамакСтупиноСургутСызраньСыктывкарТаганрогТамбовТверьТихвинТольяттиТомилиноТомскТроицкТулаТюменьУлан-УдэУльяновскУссурийскУсть-ИлимскУфаУхтаФеодосияФрязиноХабаровскХанты-МансийскХасавюртХимкиЧебоксарыЧелябинскЧереповецЧеркесскЧеховЧитаШахтыЩелковоЭлектростальЭлистаЭнгельсЮжно-СахалинскЯкутскЯлтаЯрославль
  • - бесплатно по РФ
    Автоперезвон. Работает по принципу: Вы позвонили на номер, мы сбрасываем звонок и перезваниваем через 3 секунды.
  • - по Москве
  • 8 (925) 663-83-63

Call-центр

пн-вс: 10:00-19:00

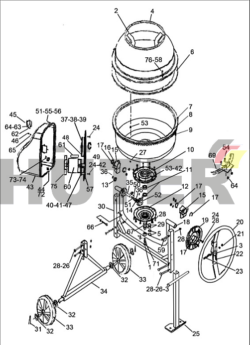
БМ-200 Вихрь HAP 74/1/5

NАртикулНазваниеСрок отгрузкиЦенаКупить
б/н 61/72/241 Коробка 830х680х440 для БМ-200 HAP 2.959 р.
б/н 61/72/75 Рамка выключателя с электроблокировкой 647 р.
б/н 61/72/216 Ремень ручейковый PJ635/250J для БМ 14x3x6x635 1.767 р.
б/н 61/66/444 Стопорное кольцо наружное D=15 mm 61 р.
2 61/72/238 Лопасть для БМ-200(2) HAPD 1.000 р.
6 61/72/232 Прокладка барабана для БМ-180-230(6) HAPD 435 р.
9 61/72/233 Венец зубчатый для БМ-180-230(9) HAPD 3.495 р.
10,12 61/72/221 Корпус подшипника в сборе для БМ-140-230(10,12) HAPD 3.495 р.
11 61/72/6 Подшипник 6206 Z, RS 886 р.
15 61/72/203 Опора кронштейна барабана для БМ(15) HAP, БМ-130,180(14) YMD 455 р.
17 61/72/27 Стопорное кольцо наружное D=35 мм 7 р.
18 61/72/239 Кронштейн барабана для БМ-200(18) HAPD 5.454 р.
19 61/72/34 Диск фиксации угла наклона для БМ-125(18) LGP, БМ(19) HAP, БМ-130,180(13) YMD 606 р.
20 61/72/196 Колесо наклона барабана для БМ(20) HAPD 1.656 р.
25 61/72/223 Стойка опорная для БМ-140-230(25) HAPD 1.607 р.
30 61/72/235 Балка для БМ-180-230(30) HAPD 1.920 р.
33 61/72/121 Колесо D=230мм для БМ-160, БМ-200(44) ALD, БМ-100(33) HAPD 1.165 р.
34 61/72/197 Стойка колёсная для БМ-140-230(34) HAPD 890 р.
35 61/72/210 Вал приводной для БМ(35) HAPD 405 р.
36 61/81/108 Стопорное кольцо наружное D=14 mm 19 р.
38 61/72/212 Прокладка фторопластовая 40х31,5х1,2 для БМ(38) HAPD 31 р.
39 61/72/30 Стопорное кольцо наружное D=28 мм 20 р.
43 61/72/90 Кожух электродвигателя для БМ-140,160,180,200, 205, 20АЧ EVL,130,160,200 ALD,100 HAPD 1.818 р.
45 61/72/14 Выключатель KJD6 6A 250V с электроблокировкой 728 р.
52 61/72/214 Звездочка ведущая для БМ(52) HAPD 637 р.
57 61/72/215 Панель крепления электродвигателя для БМ(57) HAPD 1.262 р.
67 61/72/226 Ось кронштейна барабана для БМ-140-230(67) HAPD 657 р.
75 61/72/209 Вентилятор для БМ(75) HAPD 505 р.
Найдено товаров: 28
1
▲ Наверх
0
8 (925) 663-83-63

Call-центр

пн-вс: 10:00-19:00

НАЙТИ ПО МОДЕЛИ
Введите номер заказа
Введите номер своего заказа, что бы узнать его текущий статус.
Что бы получить доступ к расширенным функциям, пройдите не сложную регистрацию. Зарегистрироваться